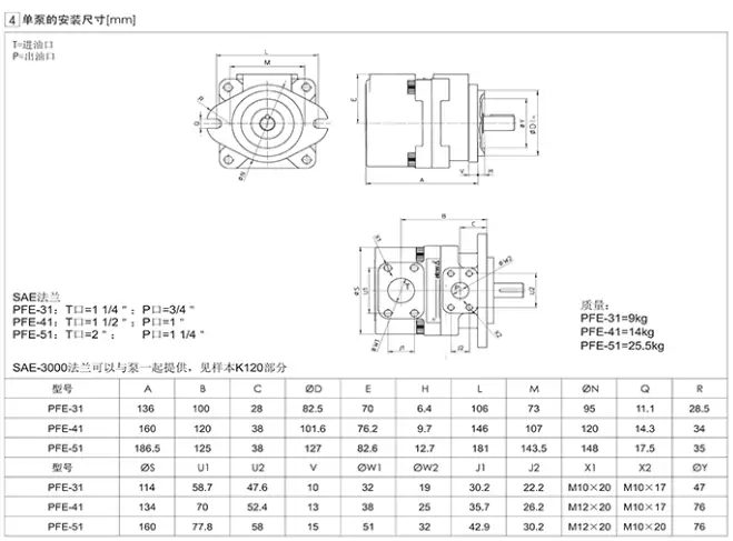
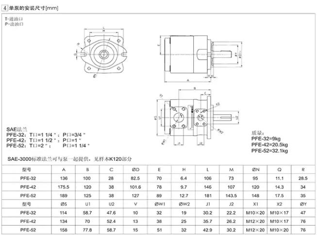
PFE-31016/22/28/36/44/1DT/DV/DW/DU 20 阿托斯葉片泵/Atos油泵
電液伺服控制器原理
由于伺服閥馬達繞組匝數較多,具有很大的感抗,所以伺服放大器必須是具有深度電流負反饋的放大器,隻有極少響應較慢的系統才用電壓反饋的放大器。電流負反饋放大器輸出阻抗比較大,放大器和伺服閥線圈組成了一個一階滯后環節,輸出阻抗大,那么這個一階環節的頻率高,對伺服閥的頻帶就不會有太大的影響。不同的伺服系統對伺服放大器有各種不同的要求,例如不同的校正環節,不同的增益范圍及其他功能。但爲了確保伺服閥的正常使用,閥對放大器還提出:放大器要帶有限流功能,確保放大器最大輸出電流不至于燒壞線圈或不至引起閥的其他失敗。伺服閥應能耐受2倍額定電流的負荷。
要有一個輸出調零電位器,因爲伺服閥一般允許2%的零偏及工況不同的零漂,在伺服閥壽命期內零偏允差可到5%~6%,所以調零機構要可調1%的額定電流輸出值,某些伺服閥和系統還要求放大器帶有顫振信號發生電路。
輸出端不要有過大的旁路電容或洩漏電容,避免與伺服閥線圈感抗一起産生不希望的諧振。
伺服閥線圈與放大器的連接,推薦并聯接法,此法可靠性高而且具有最小的電感值。
電液伺服控制器包括誤差比較器、校正放大器、反相及增益控制、功率放大器、顫振信號源、顯示器、電源等。

某電液伺服控制系統結構原理如圖1所示。
由圖1可以看出,電液伺服控制器的主要功能是將電液控制系統的力矩信號和角位置信號進行調理送人計算機的A/D,同時將計算機D/A輸出的控制信號(伺服閥控制信號)進行轉換和放大,去驅動伺服閥按要求運動。系統的特點是;
1、力矩傳感器感受的力矩信號比較微弱,輸出信號爲毫伏級,經過傳輸線后進入調理電路引入很大干擾,故除了對其功率放大和調零外,另加入濾波電路。
2、爲了保證電液伺服控制器的可擴展性,還設計了標準輸入和標準輸出接口。
3、配置了顯示儀表以實現實時監測電液伺服系統工作情況的目的。
在此以電液伺服閥FFl02驅動放大電路、顯示電路及位移傳感器調理電路爲例介紹其結構原理。







PFE 31028/ 5DW
PFE-31016/1DT 20 PFE-31016/1DU
PFE-31022/1DT 20 PFE-31022-1DU
PFE-31028/ 1DT PFE-31028/1DT 20
PFE-31036/1DT PFE-31036/1DT 20
PFE-31044/1DT 20 PFE-31044/5DT PFE-31044-1DT
PFE-32036/3DT 20 PFE-32036/3DU 20
PFE-41029/1DT
PFE-41045/1DT 20
PFE-41070-10V
PFE-41085/10D PFE-41085/1DT 20
PFE-42045/3DW 20
PFE-42056/3DT PFE-42056/3DT 20
PFE-51090/1DT PFE-51090-1DT
PFE-51150/1DT 20
PFED 54110/045/1 DVO
PFED-43045/016/1DTA PFED-43045/028-1DT0 PFED-43045/044/1DTO
PFED-43070/028/1DWB20 PFED-43070/044/1DV0 20
PFED-43085/016 PFED-43085/016/1DVO 20 PFED-43085/022 PFED-43085/028 PFED-43085/036
PFED-43085/044 PFED-43085/044/1DUO 20
PFED-54110/037/1DTO
本文由蘇州逐利機電整理發布,如需轉載請瀏覽來源及出處,原文地址:http://m.hh-weigher.com/yyyb/210.html






留言信息